SX赤道儀のOnstep化②
OnStepシステム
このページでは、本ページで紹介するOnstepコントローラのシステム構成を紹介します。
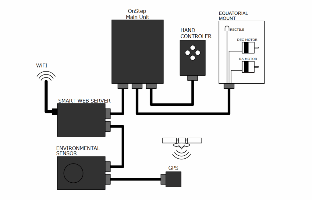
1. OnStepハード構成
赤道儀の制御には、オープンソースの OnStepシステム を使用します。OnStepの公式サイトはこちらです。
OnStepのハードウェアはいくつかの仕様が公開されています。ここでは、 ESP32 ver3に準拠したシステムを改造したものを紹介します。
※基板は頒布されていたものを使用しさせていただいております。


2. システム構成
2.1 Onstep本体

ONStep ESP32 ver3は、ESP32-DevKitC-32Eというマイコン開発ボードを使用するバージョンです。
OnStepでは、以下の3つの方法で時刻と位置情報の設定・取得が可能です。
- Smart Web Server(SWS)を使用し、PCやスマートフォンから手動で設定
- RTC(リアルタイムクロック)を使用して、OnStep内部で時刻を保持
- GPS受信機を接続し、衛星から位置と時刻を自動取得
DS3231 リアルタイムクロック(RTC)を使用して、電源を切っても時間を保持することができる仕様としています。また、RTCやGPSモジュールの一部は、1PPS(1 Pulse Per Second)信号に対応しており、OnStep内部の時刻を高精度に同期させることが可能です。
ESP32-DevKitC-32E は、秋月電子通商で購入可能です。 → 商品ページはこちら
2.2 ベーシックハンドコントローラ

後述のSmart Web Serverを使用することで、スマートフォンやPCを介して赤道儀を操作することが可能です。 しかし、タッチパネルによる操作は、暗闇の中で星像を確認しながら行うには不便な場面もあります。
そこで活躍するのが、このハンドコントローラです。 メカニカルなスイッチを備えており、暗い環境でも直感的に操作できるため、星像を見ながらの微調整に非常に便利です。このハンドコントローラは、ST-4インターフェースを介して、Onstepを制御します。
※ST-4インターフェースは、機器ごとに仕様が少しずつ異なることがあります。使用可能であるかは機器ごとに確認が必要です。
2.3 Smart Web Server (SWS)

Smart Web Server(SWS)は、PCやスマートフォンとWi-Fi通信で接続し、ユーザーがブラウザやASCOM経由でOnStepを制御できるインターフェースです。
OnStepに使用しているESP32マイコンはWi-Fi機能を内蔵しており、単体でも通信可能ですが、使用環境によっては接続が不安定になる場合がありました。 そのため、本構成ではWEMOS D1 mini ProをSmart Web Server専用として使用し、安定したWi-Fi通信を確保しています。
WEOS D1 mini Proは、外部WiFiアンテナも接続可能であり、接続も安定しています。
2.4 環境センサ

温度、湿度、気圧を計測できる環境センサ BME280を搭載したユニットです。これらの情報がOnstepのシステムにて利用可能になります。
このユニットは必須ではありませんが、著者は、今後の拡張での活用を考えています。
2.5 GPS受信機

OnStepは、UART通信でNMEAフォーマットに対応したGPSモジュールに対応しています。 ここでは、GPS受信機として GT-502MGG-N を使用しています。
通信にはUSART0チャンネルを使用していますが、USART0はUSBケーブルを介してPCと接続する際に競合するため、PCとの同時接続はできません。本器を接続する場合は、PCとの接続を避ける必要があります。
GT-502MGG-Nは、秋月電子通商で購入可能です。 → GT-502MGG-N 商品ページ
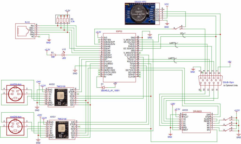
3. 回路図
3.1 Onstep本体の回路図
本システムでは、赤道儀用モータードライバにTMC2130、リアルタイムクロック(RTC)にDS3231を搭載しています。
モータードライバは最大3基まで搭載可能な基板を使用しており、電動フォーカサー用のドライバも追加できる構成のものを使わせてもらっています。
制御にはOnStepを使用しており、さまざまなモータードライバに対応可能な構造となっています。中でもTMC2130は、I2C通信による詳細な設定が可能で、静音性と高精度を兼ね備えた優れたドライバです。
| シリアル通信 (USRT2) | Smart Web Serverとの接続 |
| シリアル通信 (USRT0) | GPSモジュールとの接続 |
| I2C通信 | OneStep本体内蔵のRTCおよび、オプショナルユニットである環境センサ(BME280)との接続 |

3.2 オプショナルユニットの回路図
オプショナルユニットは、DSUBコネクタでで連結できる設計とし、使用するオプショナルユニットを自在に変更できるハード構成にしています。
※使用するオプショナルユニットに応じて、ソースコードを修正する必要があります。
時刻の取得方法は、以下のいずれかを選択します。:
- 本体内蔵のリアルタイムクロック(RTC)
- オプショナルユニットであるGPSモジュール
※両方同時に使用することはできません。

オプショナルユニット
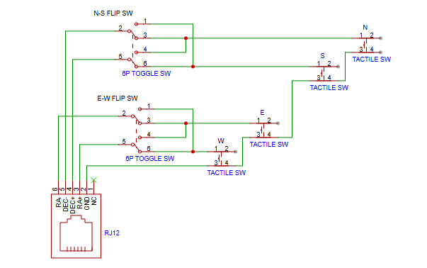
3.3 ベーシックハンドコントローラの回路図
ベーシックハンドコントローラーは、各端子の状態(オープンまたはクローズ)によって動作を制御します。トグルスイッチを用いることで、信号の反転が可能な回路構成となっています。
